Beskrivelse
Delta Svirvelkrog med kugleleje, WLL 3,15T, Kl.8. Sikkerhedsfaktor 4:1. Fremstillet i henhold til EN 1677.
Type: YE.8.088.
WLL (løftekapacitet): 3,15 tons
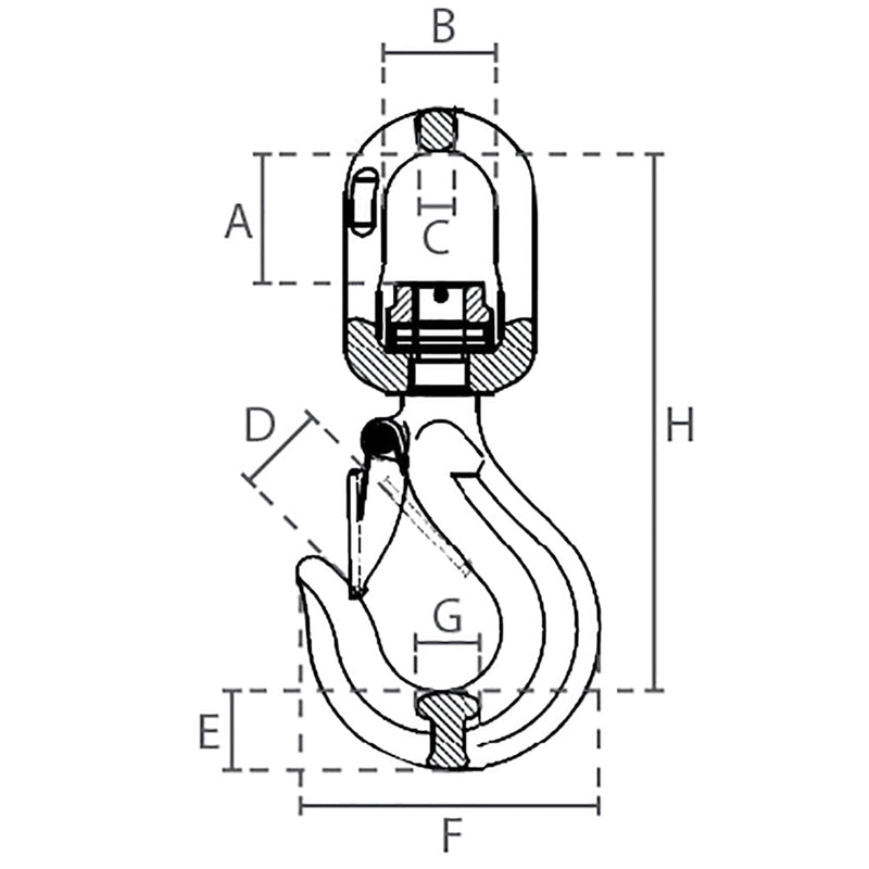
A: 50 mm
B: 42 mm
C: 16 mm
D: 31 mm
E: 30 mm
F: 105 mm
G: 23 mm
H: 205 mm
Vægt: 1,7 kg.
